반응형
■시설한계 높이
▧ 도로의 구조·시설 기준에 관련 규칙(21.12.13, 국토교통부)
제18조
① 차도의 시설한계 높이는 4.5미터 이상으로 한다. 다만, 다음 각 호의 구분에 따라 시설한계 높이의 하한을 낮출 수 있다.
1. 집산도로 또는 국지도로로서 지형 상황 등으로 인하여 부득이하다고 인정되는 경우: 4.2미터 이상
2. 소형차도로인 경우: 3미터 이상
3. 대형자동차의 교통량이 현저히 적고, 그 도로의 부근에 대형자동차가 우회할 수 있는 도로가 있는 경우: 3미터 이상
② 차도, 보도 및 자전거도로의 시설한계는 별표와 같다. 이 경우 도로의 종단경사 및 횡단경사를 고려하여 시설한계를 확보하여야 한다.
▧ 도로의 구조·시설 기준에 관련 규칙 [별표]
- 차도 및 보도 등의 시설한계(제18조 제2항 관련)
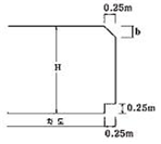
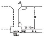
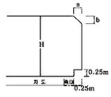
1. 차도의 시설한계
|
차도에 접속하여 길어깨가 설치되어 있는 도로
|
차도에 접속하여
길어깨가 설치되어
있지 않은 도로
|
차도 또는 중앙분리대 안에 분리대
또는 교통섬이 있는 도로
|
|
|
터널 및 100미터
이상인 교량을
제외한 도로의 차도
|
터널 및 100미터
이상인 교량의 차도
|
![]() |
![]() |
![]() |
![]() |
||
a 및 e : 차도에 접속하는 길어깨의 폭. 다만, a가 1미터를 초과하는 경우에는 1미터로 한다.
b : H(4미터 미만인 경우에는 4미터)에서 4미터를 뺀 값. 다만, 소형차도로는 H(2.8미터 미만인 경우에는 2.8미터)에서 2.8미터를 뺀 값.
c 및 d : 분리대와 관계가 있는 것이면 도로의 구분에 따라 각각 다음 표에서 정하는 값으로 하고, 교통섬과 관계가 있는 것이면 c는 0.25미터, d는 0.5미터로 한다.
|
구분
|
c
|
d
|
|
고속도로
|
0.25 이상 0.5 이하
|
0.75 이상 1.00 이하
|
|
도시고속도로
|
0.25
|
0.75
|
|
일반도로
|
0.25
|
0.50
|
H : 시설한계 높이
2. 보도 및 자전거도로의 시설 한계
|
노상시설을 설치하지 않은 보도 및 자전거도로
|
노상시설을 설치하는 보도 및 자전거도로
|
![]() |
![]() |
▧ 도시지역 지하도로 설계지침(2016, 국토교통부)
4.3.5 시설한계 [해설] 가.
-전차종 통행이 가능한 도시지역 지하도로의 시설한계 높이는 4.0m에 포장 덧씌우기 등이 예상되는 경우 등을 고려하여 4.5m 이상으로 한다.
-소형차전용 지하도로에서는 설계차량 높이 2.8m에 주행차량이 튀어 오르는 경우를 고려하여 3.0m로 한다. 다만, 장래 포장 덧씌우기가 예상되는 경우나 지하도로 내 사고(또는 고
장) 시 견인차가 사고차량을 들어 올리는 조건 등에 대한 검토를 하여야 한다. 이때 필요한
경우 0.3m를 추가로 확보하여 3.3m 이상으로 하는 것이 바람직하다
▧ 지하도로 설계지침(2023, 국토교통부)
4.3.5 시설한계 [해설] 가.
- 대형자동차 이상을 설계기준자동차로 적용하는 지하도로의 시설한계 높이(H)는 설계차량 높이 4.0m에 포장 덧씌우기 등이 예상되는 경우 등을 고려하여 4.5m 이상으로 한다.
-소형차전용 … (2016 지침과 동일)
12.2.5 시설한계
1) 지하고속국도의 시설한계 높이는 4.5m 이상으로 한다. 다만, 지하고속국도를 소형차도로로 계획할 때에는 3.5m 이상으로 할 수 있으며, 시설한계 높이는 화재 등 유고상황 발생 시 이용자의안전을 고려하여 소방 활동 및 구난 활동 등에 필요한 높이를 확보하여야 한다
[해설]
- 현재 국내 고속국도 터널에서는 「도로의 구조․시설 기준에 관한 규칙」에서 규정하고 있는 시설한계 높이 최소 기준(4.50m)에 내공변위, 포장 덧씌우기, 터널 내 추가 공간 확보가어려운 영구 구조물인 점 등을 고려하여 0.30m의 여유고를 추가 반영하여 적용하고 있으므로 지하고속국도의 시설한계 높이 적용 시에도 이러한 사항을 고려할 필요가 있다. 다만, 여유고의 적용은 경제성측면에서 불리하므로 유지관리 시 덧씌우기를 배제할 수 있는 공법 적용 등 여유고를 최소화할 수 있는 방안을 충분히 검토하여야 한다.
- 미국 AASHTO(2018)는 고속국도 터널의 시설한계 높이를 4.9m (16feet) 이상 확보하도록 권고하고 있으며, 일본 도로구조령 개정(2018) 내용에는 중요 물류도로의 경우 중차량 설계차량 높이가 3.8m에서 4.1m로 상향 추가됨에 따라, 시설한계 높이도 4.5m에서 4.8m로 상향 설정하고 있다.
▧ 도로교 설계기준(2010, 국토교통부)
1.5.3 교차조건
…교차조건이 도로인 경우에는 4.5m이상으로 하되,동계적설에 의한 한계높이의 감소 또는 포장덧씌우기 등이 예상되는 경우에는 4.7m이상으로 하는 것이 바람직하다.
■ 시설한계 여유
▧ 국도건설공사 설계실무 요령(21.01 국토교통부)
- 검사원통로 (P536)
길이 1km이상 터널에서 터널 측벽부에 있는 차도시설 한계 이외에 보수점검 작업원의 안전성 확보를 목적으로 검사원 통로를 확보한다.
피난연락갱 위치를 고려하여 주행차로측에 설치하고 설치규모는 0.75m(폭) 이상으로 한다.
- 터널 내공단면 계획 (P495)
시설한계와 라이닝 여유폭은 시공오차 50mm를 적용한다.
- 환기설비에 따른 내공단면 (P495)
차도부 시설한계에서 상단 여유 20cm, 천정에 매다는 방식은 보통 젯트팬 외경과 천장 벽면까지의 이격거리는 0.3D(D: 젯트팬 내경)를 표준으로 하되 기술적 검토와 환기용량의 부족이 없는 범위내에서 가람이 가능
▧ 도로설계편람 7편 지하차도(2012. 국토교통부)
- 7.1 내장재 (P704-57)
내장은 시설한계(길 어깨부 및 검사원통로부)에는 영향을 주지 않는 높이로 계획하며, 검사원 통로와 측벽면에는 내장과의 설치 여유폭 30mm를 확보하는 것이 바람직하다.
▧ 도시지역 지하도로 설계지침(2016, 국토교통부)
환기 ․ 방재설비, 조명, 배수시설, 내장재, 표지판 등 터널 내 제반 시설물의 설치공간과 유지관리 및 시공오차 등에 대한 여유를 고려하여 결정
▧ 터널단면 최적화방안 검토(설계처-1714, 2012.6.19., 설계실무자료집2012, 한국도로공사)

- 시설한계 여유폭(라이닝 이격거리)
* 현행 : 터널내 시설한계와 라이닝 여유폭 300mm 확보
(조명설치 여유폭 150mm + 내장재 여유 100mm + 시공여유 50mm
* 개선 : 여유폭 50mm로 축소(조명설치, 내장재 여유 미반영)
> 조명설치 여유 150mm 삭제
조명시설이 터널 우각부에 설치되는 벽부벽일 때 여유가 필요했으나, 설치위치가 천장부로 변경(‘99.12)되어 여유 미반영
> 내장재 여유 100mm 삭제
내장재 설치높이가 시설한계(길어깨부)에 영향을 주지 않는 높이로 변경(‘99.8)되어 내장재 여유 미반영
- 우측 길어깨
* 현행 : 고속도로 2차로 터널 우측길어깨 폭원 2.5m 적용
> 터널부 교통용량 증대, 교통사고 감소, 운전자 교통편의 제공 등을 위해 우측 길어깨 확대(1.0m → 2.5m) 적용 (‘96.8 설계처 방침)
> ‘02년 사업비 절감을 위해 우측 길어깨 축소(2.0~1.5m)를 검토 하였으나, 공사비에 미치는 영향이 적어 기존 방침대로 적용하는 것으로 결정
따라서, 단면 최적화를 위한 우측 길어깨 축소는 미반영
- 검사원 통로
* 현행 : 장대터널 공동구 상부 검사원 통로 기준 (폭750mm, 높이 2,000 mm) 적용
* 개선 : 우측 길어깨를 활용하여 유지관리를 시행 중으로 이용에 불편이 없어 검사원 통로 폭(750mm)만 적용(높이 미적용)

- 제트팬-라이닝 이격거리

* 현행 : 제트팬 외경과 천장벽면까지의 이격거리 0.5D(제트팬 외경) 적용
* 차도부 시설한계에서 상단여우 : 200mm 적용
- 이격거리 변경에 따른 환기효율 분석결과, 0.4D 이격시 환기효율 감소는 거의 없으며, 0.3D 이격시 환기효율 감소는 약 2.2%로 미미함
* 개선 : 라이닝 이격거리는 0.3D적용 (환기효율 검토 후 선택 적용 가능)
반응형
'b-1 구조 잡다' 카테고리의 다른 글
| 말뚝기초 허용수평변위 관련 기준, 방침 정리 (0) | 2023.06.20 |
|---|---|
| 지하차도 집수정, 배수시설 용량 산정 관련 참조 기준 정리 (0) | 2023.05.25 |
| 사각(경사)구간 보강관련 기준 및 방침 정리 (0) | 2023.04.13 |
| 교각 기둥(원형) 횡방향철근상세 관련 기준 정리 (0) | 2023.04.12 |
| 지하박스 구조물 설계방법 및 벽체 단면검토 방법 기준 및 방침정리 (0) | 2023.04.11 |






댓글